welcome海洋之神

welcome海洋之神 关于我们 专利产品 光模块 光电连接器 解决方案 welcome海洋之神 联系我们
微信联系
电话联系
手机联系

单/双纤柔带输出数字光收发模块

发布时间:2025-07-11 13:20:59
发布者:welcome海洋之神科技
浏览次数:355

成都welcome海洋之神科技推出的单/双纤柔带输出数字光收发模块系列,均为高性能双纤柔带光收发模块,凭借先进的激光技术与稳定的传输能力,广泛适配 10G 级高速光通信场景。

该系列聚焦中长短距高速传输,采用EML 激光器并支持DWDM(密集波分复用)波长可选,搭配高效光接收模块,传输距离达 10km(单模光纤)。采用1550nm 带 TEC(热电制冷)的 EML 激光器,搭配高灵敏度 APD 接收器,确保 80km 单模光纤(SMF)传输中信号的稳定与保真。模块支持155Mbps~10.3125Gbps 宽速率范围:CDR 旁路模式下适配 155M~9.95Gbps,开启 CDR 后支持 9.95~10.3125Gbps,灵活满足不同速率需求。接口采用LC 双工连接器,单通道 + 3.3V 电源供电,工作温度 - 40℃~+85℃,全金属外壳与 RoHS 2.0 合规设计,适配工业级严苛环境,符合 SFF 规范下的信号传输标准。

image.png


产品特性:

 

高性能850nm VCSEL激光器

高灵敏度850nm PINTIA接收器件

LC双工连接器

更低的功耗

在OM3 MMF光纤下传输距离300m

运行数据速率高达10.3125Gbps

内部带有CDR功能的发送/接收

-40°C至85°C的工作温度范围

仅使用单路+3.3V±5%电源

兼容SFF-8472 Rev 10.2的数字监视器

完全符合RoHS标准

全金属外壳,优越的电磁干扰性能


产品应用:


10GBASE-SR/SW 10G 以太网

1200-Mx-SN-I 10G 光纤通信


原理框图


image.png


订购信息


型号 速率   波长    传输距离    光纤类型  连接器 工作温度注1 
DTSFC285L1I10.3125G850nm300m MMFLC   -40~+85℃  
DTSFC215L1I155M-10.315G1550nm80m SMF LC -40~+85
  DTACR45-99LLJ1  10.315G1310nm10km 单模 LC -40~+85
DTACR46-99LEJ110.3125G1550nm40km 单模 LC -45~+85
DTACR45-99LLJ110.3125G  1550nm  40km 单模 尾纤FC-45~+85
DTACR45-99LLJ110.3125G1550nm40km 单模 尾纤LC -45~+85

注1:外壳温度


引脚定义 

image.png


引脚

符号

描述

1

RX_LOS

信号丢失指示。逻辑0表示正常运行  

1

2

TX_Disable

发射机禁用。激光输出在高或开放时被禁用

2

3

GND


4

RD-

接收数据反向端输出(CML电平)  


5

RD+

接收数据正向端输出(CML电平)  


6

GND


7

VccR

接收端电源


8

VccT

发送端电源


9

GND


10

TD+

发端数据正向输入(CML电平)  


11

TD-

发端数据反向输入(CML电平)  


12

GND


13

SCL

2线串行接口时钟线

1

14

SDA

2线串行接口数据线

1

15

GND


16

GND


注: 1.应用4.7k-10kΩ上拉至主机板上3.15V至3.6V的电压 

2.激光输出在TDIS >2.0V上禁用或打开,在TDIS <0.8V上启用。 


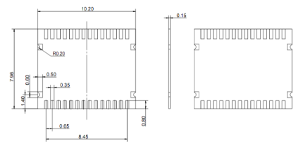
模块尺寸 单位为毫米,未做标示的公差为±0.1mm。 


1.双工LC光接口 

image.png

2.尾纤FC光接口(纤长可自定义) 

image.png

3.尾纤LC光接口(纤长可自定义)

image.png

4.柔板尺寸

image.png